381L型電動執行器 / 381L type electric actuator

產品說明 (Valve Description):
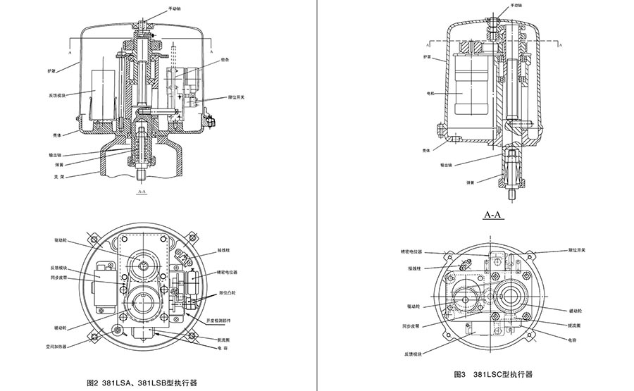
3810L系列直行程電子式電動執行器是以AC110V50/60HZ;AC220V 50/60HZ;AC240V 60HZ;AC380V50HZ;DC24V.36V.48V做為驅動電源的機型,接受來自調節器控制信號(DC4~20mA或DC1~5V),實現預定直線往復運動的新型執行器。本系列執行器破用作調節閥的執行機構時,幾乎具備了調節閥本身所要求的各種動作變換功能以及閥開度信號功能和手動功能。因此被廣泛應于發電、冶金、石化、輕工及環保等工業部門。
點擊進入控制附件說明書
點擊進入電動執行器說明書
選型指導 (Valve Selection Guide):
3810L系列直行程電子式電動執行器是以AC110V50/60HZ;AC220V 50/60HZ;AC240V 60HZ;AC380V50HZ;DC24V.36V.48V做為驅動電源的機型,接受來自調節器控制信號(DC4~20mA或DC1~5V),實現預定直線往復運動的新型執行器。本系列執行器破用作調節閥的執行機構時,幾乎具備了調節閥本身所要求的各種動作變換功能以及閥開度信號功能和手動功能。因此被廣泛應于發電、冶金、石化、輕工及環保等工業部門。


選型指導 (Valve Selection Guide):
驅動電壓:AC220V、DC24V、AC380V (其他定制)
控制信號:4-20mA、1-5VDC
防爆等級:ExdII BT4、ExdII CT4
選型參數 (Parameters)