OHQ型防爆型電動執行器 / Explosion-proof electric actuator

產品說明 (Valve Description):
OHQ型防爆型電動執行器“OHQ”系列電動執行器用于控制0°~270°旋轉的閥門及其他同類產品,如蝶閥、球閥、風門、擋板閥、旋塞閥、百葉閥等,可以廣泛應用于石油、化工、水處理、船舶、造紙、電站、供暖供熱、樓宇自控、輕工等各行業中。它以380V/220V/ 110V交流電源為驅動電源,以4-20mA電流信號或0-10VDC電壓信號為控制信號,可使閥門動運到所需位置,實現其自動化控制,大輸出扭矩達4000NM。(該產品已獲得CE與防爆認證證書,產品質量具有保障)
點擊進入OHQ型防爆型電動執行器說明書
選型指導 (Valve Selection Guide):
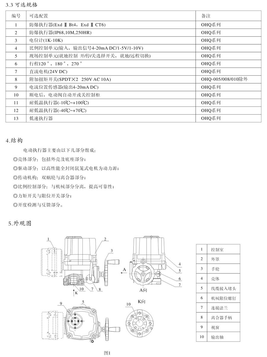
OHQ型防爆型電動執行器“OHQ”系列電動執行器用于控制0°~270°旋轉的閥門及其他同類產品,如蝶閥、球閥、風門、擋板閥、旋塞閥、百葉閥等,可以廣泛應用于石油、化工、水處理、船舶、造紙、電站、供暖供熱、樓宇自控、輕工等各行業中。它以380V/220V/ 110V交流電源為驅動電源,以4-20mA電流信號或0-10VDC電壓信號為控制信號,可使閥門動運到所需位置,實現其自動化控制,大輸出扭矩達4000NM。(該產品已獲得CE與防爆認證證書,產品質量具有保障)

選型指導 (Valve Selection Guide):
電源電壓:AC220V、DC24V、AC380V(其他電壓定制)
執行機構:普通型、防爆型(ExdII BT4、CT6)、智能型(帶現場操作)
控制方式:ON-OFF,4-20mA、0-10VDC
閥門參數 (Valve Parameters)