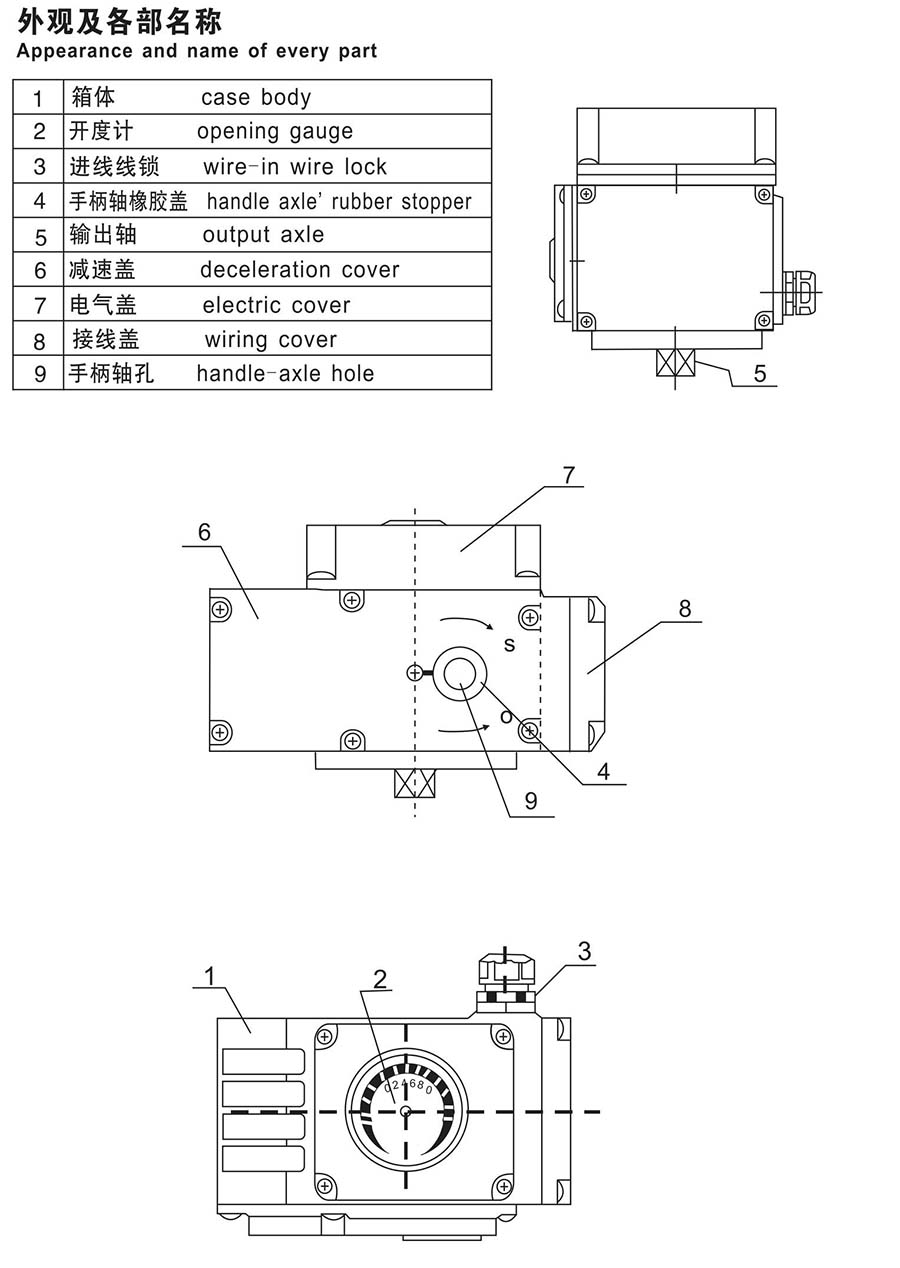
CH型電動執行器 / CH type electric actuator

產品說明 (Valve Description):
CH型電動執行器設計獨特、外秀內剛,運轉壽命超出同類產品標準的十倍。
回轉型閥門電動裝置系列產品以卓越的性能,無可爭辯的優勢,當令您刮目相看!
◆功能強勁:智能型、比例式、開關式、無源型名類信號輸出型應有盡有;
◆體積小巧:體積僅相當于同類產品的35%左右;
◆輕便宜人:重量僅相當于同類產品的30%左右;
◆美觀大方:鋁合金壓鑄外殼、精細流暢、且可減少電磁干擾;
·精密耐磨:蝸輪輸出軸一體化設計避免了鍵聯結的間隙、傳動精度高,采用特殊銅合金鍛造、強度高、耐磨性好;
◆安全保證:通過AC1500V耐壓檢測,F級絕緣電機,安全有保障; ◆配套簡單:采用單相電源、外接線路簡單,也可做380V、直流電源;
◆使用方便:免加油、免檢點、防水防銹、任意角度安裝;
◆保護裝置:雙重限位、過熱保護、過載保護;
◆多種速度:全行程時間9秒、13秒、15秒、30秒、50秒、100秒(出廠前已設定);
◆防腐防銹:整機支架、聯軸器、螺釘均采用不銹鋼;
◆智能數控:智能控制模塊高度集成于電動裝置本體中,無需外接定位器。數字設定、數字整定、高度精確、自我診斷、一機多能。
點擊進入CH型電動執行器說明書
CH型電動執行器設計獨特、外秀內剛,運轉壽命超出同類產品標準的十倍。
回轉型閥門電動裝置系列產品以卓越的性能,無可爭辯的優勢,當令您刮目相看!
◆功能強勁:智能型、比例式、開關式、無源型名類信號輸出型應有盡有;
◆體積小巧:體積僅相當于同類產品的35%左右;
◆輕便宜人:重量僅相當于同類產品的30%左右;
◆美觀大方:鋁合金壓鑄外殼、精細流暢、且可減少電磁干擾;
·精密耐磨:蝸輪輸出軸一體化設計避免了鍵聯結的間隙、傳動精度高,采用特殊銅合金鍛造、強度高、耐磨性好;
◆安全保證:通過AC1500V耐壓檢測,F級絕緣電機,安全有保障; ◆配套簡單:采用單相電源、外接線路簡單,也可做380V、直流電源;
◆使用方便:免加油、免檢點、防水防銹、任意角度安裝;
◆保護裝置:雙重限位、過熱保護、過載保護;
◆多種速度:全行程時間9秒、13秒、15秒、30秒、50秒、100秒(出廠前已設定);
◆防腐防銹:整機支架、聯軸器、螺釘均采用不銹鋼;
◆智能數控:智能控制模塊高度集成于電動裝置本體中,無需外接定位器。數字設定、數字整定、高度精確、自我診斷、一機多能。

閥門參數 (Valve Parameters)